HYDORING 高性价比 - 机械式二通阀
2019-08-12 11:02:52
感受 HYDORING 最优越的产品性能
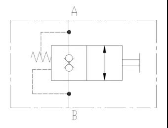
作为专业的流体动力服务提供商,HYDORING致力于为国内外客户提供全方位的液压系统、流体传动系统、产品配套服务以及现场安装维修服务等。其中我们为卡哥特科自主研发定制的机械式二通阀,它可以广泛应用于液压领域。相比于电动二通阀,它有着更低的成本并且容易操作,大多应用于日常生活中,也可应用在不频繁开关的场合。
机械式二通阀外型设计特点
尺寸参数



技术参数
压降曲线
客户受益
作为手动的机械式二通阀相比电动二通阀更具有诱人的性价比;优化的阀体设计,抗机械振动性能更加强劲;
众所周知液压系统中的泄露问题相当棘手,但这种机械式二通阀泄漏量小,具有更好的保压性能;